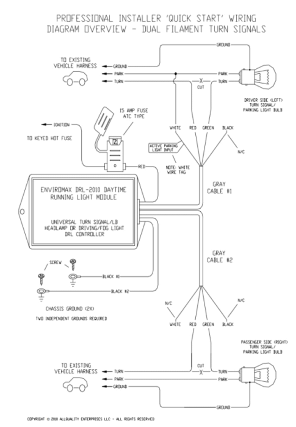
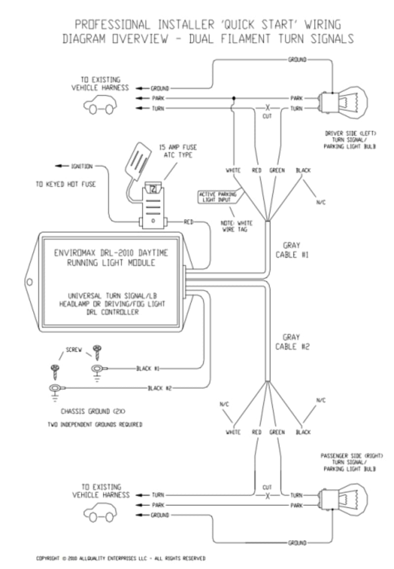
Utilization of front amber turn signal lamps, employed as collision and pedestrian avoidance safety lighting, for every car, truck, motorcycle, moped, and semi-tractor trailer on the planet. This is accomplished using ultra low cost design from U.S. Patent #7,482,756. This design and system improves daytime public safety and security, plus can improve transportation safety for businesses, communities and even nations. Amber safety lighting on vehicles is proven to improve conspicuity of moving vehicles in all regions of the planet, from equatorial to polar, and in all points in between. This design, not currently in production, uses 8 basic electrical parts, at less than $10 per vehicle. This design draws no internal energy of its own while producing the DRL effect, and draws a mere 3.5 amps on two 28 watt amber bulbs. This is typically less than two high-beam headlights at 50% reduced power.
The amber DRL as a type is legal in North America, and is proven to be more effective with respect to daytime crash avoidance than all other types, as per a 2002 study by the Society of Automotive Engineers (SAE study #203-01-2072). This study found even more significant safety effects for amber DRLs and pedestrian safety.
Photometric comparative studies prove amber lighting has superior visibility when compared to other vehicular signal lighting colors. Experts explain this is because the human eye is more sensitive to middle visible light wavelengths like amber, and perceives these colors as being brighter for the same amount of radiant energy. Vehicles everywhere already possess underutilized amber front turn signals as a natural resource that could be utilized in such a fashion. For vehicles with subsequently small turn signal housings, where signal bulb heat may cause a plastic failure issue, amber LED bulbs and said system can be employed together for even further energy savings.
The 1998 US Federal Register [V 63, #152, pg 57, par. 2] outlines eight quotations stating why the US National Highway Traffic Safety Administration said the use of front turn signals as DRLs is desirable: 1) It eliminates all possibility of turn-signal masking by other [white light/headlight] DRLs, 2) It increases the angles at which the DRL can be seen (visible at 45 degrees) which should increase the benefit at intersections, 3) It virtually eliminates glare [with respect] to other motorists, 4)• It prevents incidents where drivers forget to turn on full headlights (with tail lamps) in inclement weather or at twilight because the headlamp DRLs provide so much light, 5) It allows motorcycles [with headlight(s) ‘on’] to keep a unique conspicuity signature, 6) They offer a fuel economy benefit of up to 0.5 m.p.g. compared to headlamp DRLs (according to 1990 test data), 7) They offer a lower cost of replacement bulbs (compared with replacement costs for headlamps or headlamp bulbs), and 8) They offer a lower cost than the reduced intensity lower beam headlamp according to the 1995 Economic Evaluation of DRLs performed by Transport Canada.
Like this entry?
-
About the Entrant
- Name:Raymond Kesterson
- Type of entry:individual
- Software used for this entry:AutoCad
- Patent status:patented


