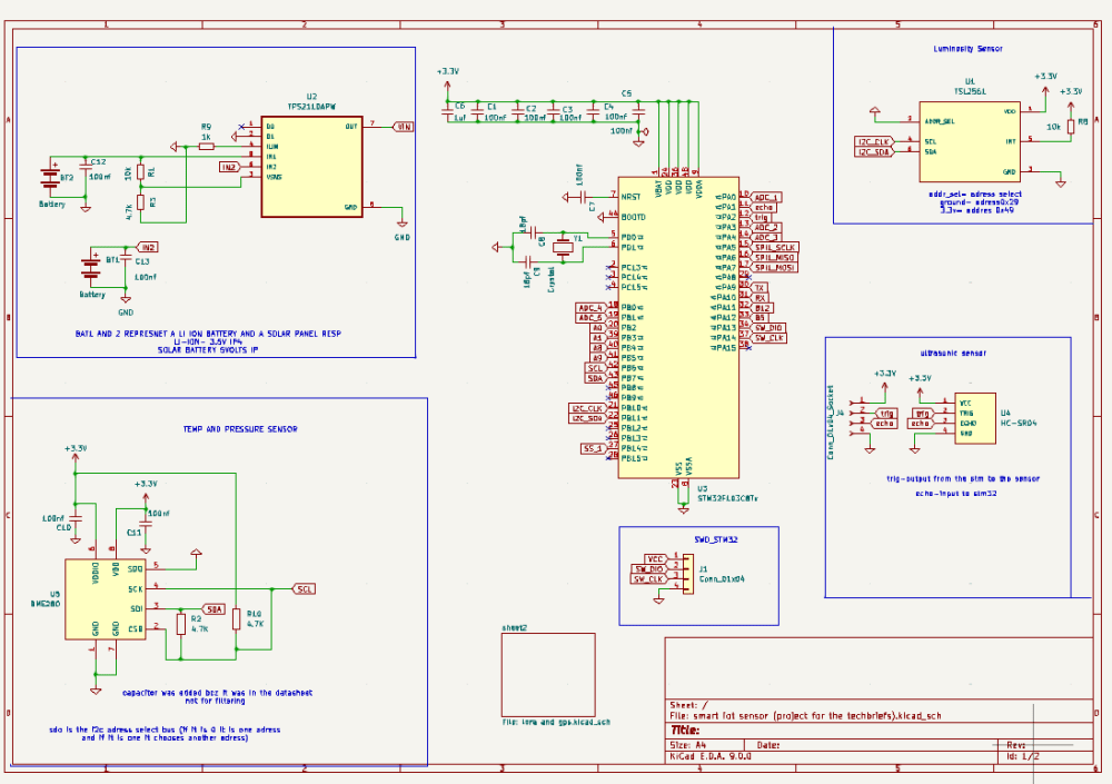
This project presents the design of an ultra-low-power, hybrid-powered IoT sensor node tailored for deployment in remote and biodiverse regions such as the Amazon rainforest. The node integrates a solar panel, Li-ion battery, and power multiplexer (TPS2110A) to dynamically manage power sources with seamless switching, ensuring continuous operation even under fluctuating environmental conditions.
The core system is built around the STM32F103C8T6 microcontroller, which interfaces with a suite of environmental sensors:
- BME280 for temperature, humidity, and pressure,
- Capacitive soil moisture sensor (SparkFun SEN-12650),
- PIR sensor for detecting motion from wildlife,
- and a GPS module (NEO-6M) for geolocation tagging.
Data is transmitted via the RAK3172 LoRa module, enabling long-range, low-power communication to a remote base station for ecological research.
All components are selected to operate within a 3.3V power domain, and the PCB is designed using Kicad
Like this entry?
-
About the Entrant
- Name:Ohm Kumaresh Ramou
- Type of entry:individual
- Software used for this entry:KIcad
- Patent status:none


