The SOLAR THERMAL MODULE has been conceived to assist people favoring renewable energy and conservation in their search for an answer that not only helps protect the environment but streamlines HVAC and Solar Power installations without compromising well-being, comfort and safety.
A solution that ends the irrationality of commonplace HVAC installations and Solar Systems and their connections between one another. One which not only lowers the dangers related with gas or other fuel supply but that optimizes solar collector positioning and dimension.
The SOLAR HEATING MODULE provides homes complete systems using both solar and standard services, enabling maintenance and assistance to be performed by one only source. The first complex module innovated and destined for new build suburban homes with gardens or balconies as well as renovation and energy requalification projects.
Never before has a complete household HVAC and Solar System been an all-in-one product. An original concept, prefabricated, factory tested and automated ready to be hooked up on site to power central heating systems with one or more circuits such as wall mounted radiators or underfloor/wall or ceiling ray conditioning as well as hot water.
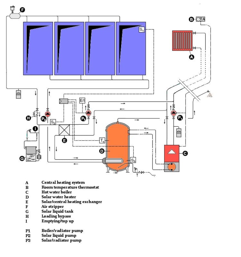
The module is composed of a thermal solar system with an absorption surface and proportioned to the needs of a standard household. Few models are required to cover different conditions arising from latitude. The supporting structure is a free-standing and transportable box containing hot water tank, heat exchangers, pumps, sensors and regulators and an auxiliary boiler (gas or other fuel) and all the plant design allowing the module circuits to be kept independent from the building circuits. Solar collectors form the South facing side, slanted e.g. at an angle of 80° optimal for winter needs too. The North side is an insulated barrier. One of the remaining sides accommodates the entrance door for maintenance purposes. The floor is a basin that would contain any spills deriving from the systems. The roof is made of reflective material, allowing with the added option of photovoltaic panels, a certain independence from urban services.
The module has separate functioning systems. The heating circuitry is operated by independent sensors that allow start, stop and system switching depending on outside weather conditions. When the sun allows, the solar system steps in as the main supply shutting down the gas or fuel system with a protocol that prevents the loss of any energy or pollution into the environment by means of several temperature sensors simultaneously allowing for maximal solar energy use. This procedure also applies to hot water preparation. In bad weather conditions the auxiliary boiler supplies the required services.
The module is factory manufactured by light industry such as those of HVAC companies with existing machinery. The all-in one approach would see many duplicated operations and design complications eliminated, unifying factory checks as well as lowering transport and delivery costs. Considering the rapid evolution that systems undergo,
the module is designed to be easily updated and improved without upsetting existing company logic.
Like this entry?
-
About the Entrant
- Name:Vittorio Bearzi
- Type of entry:individual
- Profession:
- Number of times previously entering contest:never
- Vittorio's favorite design and analysis tools:Excel, Cad,
Data Base Access - For managing CAD data Vittorio's company uses:Cadkey
- Vittorio's hobbies and activities:Thermal solar systems research and publishing
- Vittorio belongs to these online communities:ASHRAE; ATI
- Vittorio is inspired by:Proper use of energy, respect for the environment, general well being
- Hardware used for this entry:Pen & PaperSoftware used for this entry:Widows Vista
- Patent status:none


