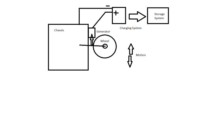
Energy recovery thru the displacement of a coil and or magnet by up/down or sideway motion. Vehicle motion occurs naturally especially on rough roads and on curves. The motor/generator is attached to the movable section of a wheel/vehicle and electrically connect to a storage system (battery or capacitor).
Like this entry?
-
About the Entrant
- Name:Dennis Bironas
- Type of entry:individual
- Patent status:none
