
Since the introduction of electric motors in the modern automotive industry, demand has been increasing for production of smaller and faster motors; as a result, the field of power electronics is being pushed beyond its limits. In order to try to keep up with the rapid changes in motor technologies, enhancements and improvements have already been made in a number of areas of power electronics, such as cooling systems, semiconductor speed, and layout modifications designed to diminish the parasitic component as stray inductance. Up until now, however, very little work has been done on control mechanisms, and this is the area that we believe has the greatest potential for improvement.
In order to improve control of the commutation speeds, two well-known parasitic behaviours have to be overcome: over-voltage across the electronic switch, and the recovery current of the opposite diode. While some solutions have been tried, only the invention introduced in this contest provides positive results over all possible operating conditions.
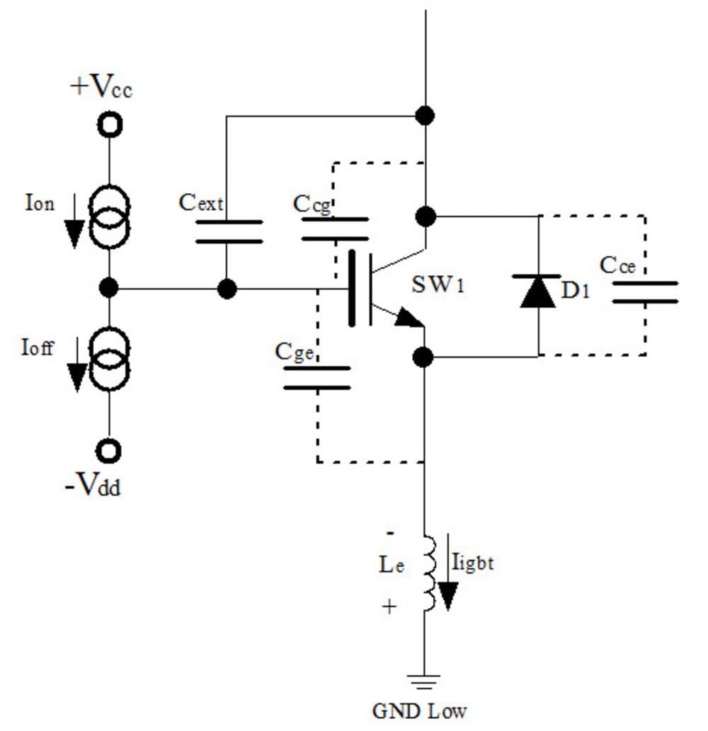
The two technologies presented in this contest, Reflex™ and Reflex™ Dual, monitor both current in the High Frequency Loop (HFL) and voltage variations across the electronic switch. The speed of the gate voltage is adjusted just below the speed of the slowest sub-component of the electronic switch during commutations. Reflex and Reflex Dual gate driver technology keeps the gate-emitter voltage in its linear region during the whole commutation process. Samples of the parasitic elements that create the problem are monitored and used as dynamic parameters in a closed loop control of the gate voltage. The collector current then becomes proportional to the gate voltage which makes the dynamic behavior similar to the static behavior.
With our Reflex and Reflex Dual gate driver technologies, we slow down the gate only when needed, for example, when either the over-voltage or recovery current reaches the semiconductor limit. The fine control of the dV/dt allows for better management of the Miller current in the opposite electronic switch. Reflex gate driver technology therefore redefines the limit of the turn-ON speed because the Miller capacitor is now no longer a limitation.
Reflex gate driver technology: Controls the dl/dt by injecting the voltage across the parasitic inductance in series with both the IGBT and the voltage source of the gate driver power supply.
Reflex dual gate driver technology: Controls the dV/dt by injecting the current in the parasitic capacitor in parallel with both the IGBT and the current source of the gate driver power supply.
In conclusion, Reflex and Reflex gate driver technologies allow us to effectively double the output current of the power electronics used to drive an electric motor; this results in a substantial cost reduction for hybrid and electric vehicle motor controllers.
-
Awards
-
2014 Top 100 Entries
Like this entry?
-
About the Entrant
- Name:Jean Marc Cyr
- Type of entry:individual
- Software used for this entry:YES
- Patent status:patented


