
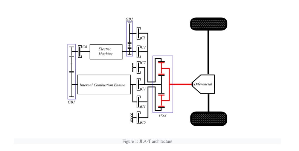
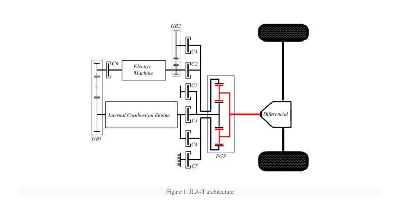
The innovation introduces a 48Volts Mild Hybrid Transmission System (the System). Unlike other mild hybrid configurations, known in the prior art, which only enable the administration of TORQUE available from the hybrid set (e.g., internal combustion engine (ICE) and electric machine (EM)), this new mechanism allows TORQUE and RPM to be managed, locating the performance of the hybrid set at the best. In such way, the ICE operates at all times in a range close to its maximum efficiency, avoiding the most polluting emission ranges.
This disruptive feature is achieved through a simple, robust mechanical arrangement that replaces the traditional gear box, freeing space and weight for hybrid technologies. The System enables a hybrid control unit to select, dose and transmit the most efficient blend between EM and ICE, according to the sensed parameters of the vehicle’s specific transit circumstances.
The control unit is configured to control a clutch and/or brake, connecting the energy sources in order to select the ratio of input power and revolutions per minute to output power and revolutions per minute, to maximize efficiency.
The selectable variable ratio of input rpm and power, to output rpm and power of the regulated planetary gear systems, allows the output revolutions per minute to scale progressively from a stop to any higher rotational speed the drive mechanism can achieve, without the need for a gearbox.
The system’s key components: planetary gears and electromagnetic clutches / brakes, are all well-known items in terms of thermal, dynamic and structural behavior and are being in series production since decades by transmissions auto parts manufacturers. As well, the hybrid kit parts are market available.
The computer simulation results obtained, were analyzed comparatively against a conventional vehicle, Ford Kuga / Escape, also used as the System ’s platform vehicle.
The results show significant advantages in terms of fuel savings: 47% in Arthemis urban conditions; 15.6% for a WLTC cycle and 4% for exclusive highway traffic, with good acceleration performance.
The System allows hybridization to reach the extreme cases of being able to function as a conventional vehicle powered by the combustion engine; as a fully electric vehicle; as a plug-in hybrid and / or with any combination in between.
The World in many fields is going hybrid.
Climate Change urges us to urgently neutralize emissions from all sectors. Few actions are being taken to reduce emissions from vehicle’s fleets in operation.
The invention is especially suitable to retrofit and upgrade commercial fleets currently in operation, being owners moved by cost-efficient advantages:
- significant reduction in fuel consumption (over 40% in urban cycle);
- enables full electric mode to operate in urban perimeters banned to ICE vehicles;
- significant improvement in the vehicle's performance in terms of torque and acceleration.
- less wear of the ICE, due to smoothest operation in a range close to its maximum efficiency.
The System’s components, shall be assembled and marketed as a retrofit kit. Installation demands the standard tools and skills of transmission workshops on gearboxes and associated electronics.
Video
-
Awards
-
2021 Top 100 Entries
Like this entry?
-
About the Entrant
- Name:Carlos Juni
- Type of entry:individual
- Software used for this entry:Matlab
- Patent status:pending


