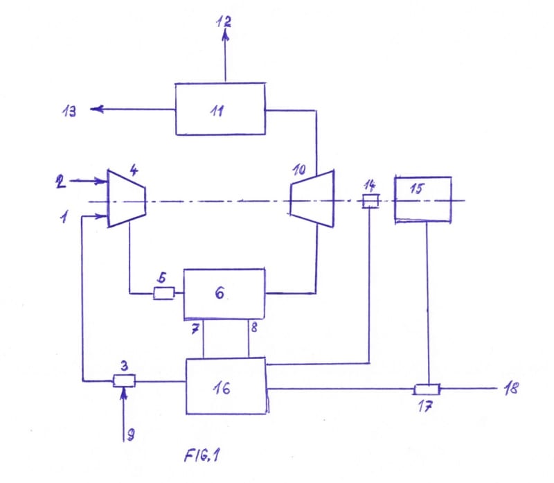
Micro cogeneration of heat and electricity in a house is the most cost-effective method of using natural gas to generate energy at the domestic level. Instead of burning fuel to merely heat space or water, some of the energy is converted to electricity in addition to heat. This electricity can be used within the home. Block diagram of the equipment is shown in figure 1.
1. Gas inlet
2. Air intake
3. Fuel valve
4. Compressor
5. Back-fire protection
6. Combustion chamber
7. Ignition plug
8. Ionization sensor
9. Natural gas
10. Turbine
11. Heat exchanger
12. Output of heat
13. Exhaust
14. RPM sensor
15. Asynchronous (induction) motor
16. Control unit
17. Contactor
18. Power line
An induction motor may function as an alternator if it is driven by a torque at greater than 100% of synchronous speed. Such an alternator must be excited by source of 50 or 60 Hz power. Power factor meter in control unit (16) switch off power line by contactor (17), if RPM is less than synchronous speed.
Like this entry?
-
About the Entrant
- Name:Zdenek Jedlicka
- Type of entry:individual
- Patent status:none
