
Li-ion battery systems are widely used in electrified vehicles. The imbalance of state-of-charge (SOC) between battery modules/cells will bring detrimental effects to the battery. The conventional balancing schemes equalize battery by discharging high SOC cells. They waste useful energy and are not widely applied to balance battery modules. On the other hand, solar technologies are blooming as a solution to global climate change. However, it is not widely used in vehicles due to its low cost-performance ratio.
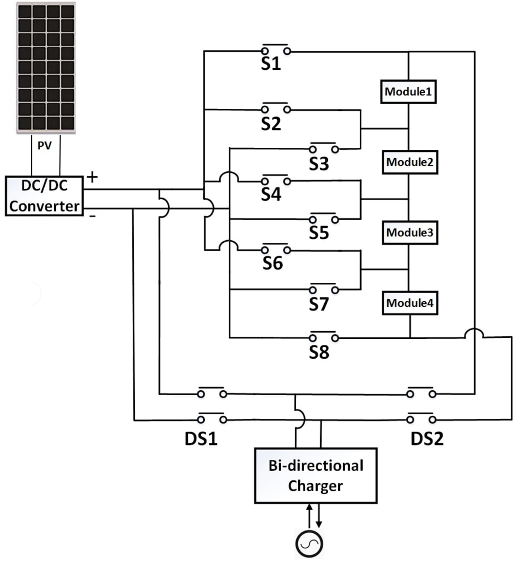
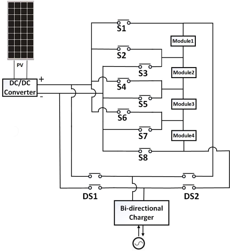
To resolve these two challenges at the same time, we propose a system that uses solar power for EV battery pack SOC management. Therefore, the battery modules can be balanced with free and clean energy. At the same time, the vehicle mileage can be extended. This is a novel technology that uses renewable energy to perform balancing. The system is formed by a solar panel, a master controller, a DC-DC converter, and selection switches. The master controller measures the voltage/SOC of each battery module and will use solar power to assist the battery module with the lowest SOC first. The controller will then move to assist the next battery module in need according to their SOC levels. When all battery modules are well balanced, solar energy will be used to charge the whole battery pack. These operations will be performed the same way during charge and discharge with no additional complex control needed.
If the electric vehicle is equipped with a bi-directional charger, the proposed system can be integrated with the battery system and the charger to perform more value-added functions. For instance, when the vehicle has been fully charged, the battery can be disconnected, and the energy generated by the PV will be sent to the power grid. If there are a decent number of vehicles equipped with the proposed system, all these vehicles can be aggregated and actually form a solar farm without land, hardware, and construction. When the EV owner wants to sell electricity to the grid or power up off-grid loads like camping devices, the PV can deliver power through the bi-directional charger along with the battery. With all these functions, this system can maximize the usage of solar energy for both transportation electrification and green community development.
We have developed a prototype of the solar power-based battery management system on an electric golf cart, with all the proposed functions verified. In the future stage of commercialization, the core part of the system, including master controller, DC-DC, and selection switches, will be assembled as one integrated solar balancing controller. Therefore, it will be ready for mass production. In addition, the product can be integrated with a vehicle controller, battery management system or works as an independent unit, which provides OEMs high development and manufacturing flexibility. The target market will be all kinds of electrified vehicle manufacturers, including companies manufacturing passenger/commercial cars, off-road vehicles, UAVs, and marine devices. We already have several OEMs talking with us on commercializing this technology for their next-generation products with solar panels on vehicle top.
Video
-
Awards
-
2021 Top 100 Entries
Like this entry?
-
About the Entrant
- Name:Chen Duan
- Type of entry:teamTeam members:Chen Duan
Caisheng Wang - Software used for this entry:MATLAB/Simulink
- Patent status:pending


