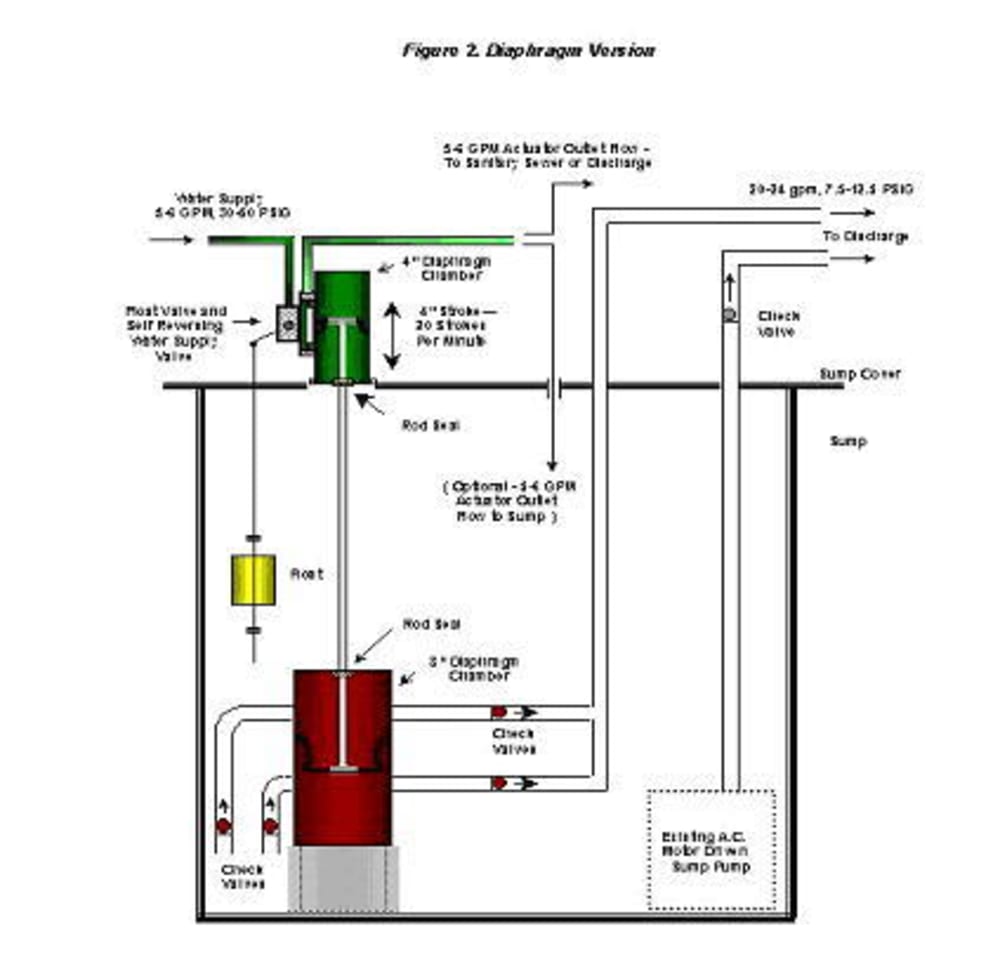
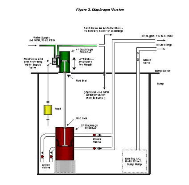
This invention addresses the $ 1 Billion USD annual storm water back up damage to finished basements and below grade construction that occurs during power outages when the AC pump cannot operate and DC battery back up pumps are unable to operate for long durations (usually 1-3 hours of pumping on battery power). Even during harsh storm conditions, however, municipal water supplies continue to flow through pipes separate from those that drain storm water . This invention makes use of the power available from a continuous 30-50psig water supply pressure to run a sump pump that can produce approximately 17-29 feet of head -- more than the 10-12 feet required in most basement applications. The typical 5-6 gallon-per-minute flow rate into the upper actuator results in a 20-24 gallon-per-minute gross discharge flow rate from the lower pump chamber. Such a water-driven water pump can assure that storm water does not back up into below-grade building spaces during power outages of any duration.
Operates continuously with municipal water pressure, ejecting 15-20 gallons per minute at 25 feet of head, and consumes only 4-5 gallons per minute of supply water. Pump efficiency > 95 %.
Like this entry?
-
About the Entrant
- Name:Michael Ostrowski
- Type of entry:individual
- Patent status:patented
