MASTER SWITCH -- the name itself refers that it's an advanced switch, when we compare to normal switches. In any switches do they provide fuse contact , NO ,the manufacturer of switch board always gives us common fuse ,but that type of fuse will be blown off when some surge current flows. The common fuse type will stop the current when fuse is blown off and its the disadvantage because the electrical appliances are connected to the board, it will not work without current, so we designed the switch contact with fuse at input and output.
Every year the switches are burned out due to no fuse or overload.
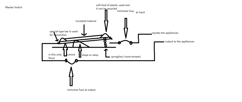
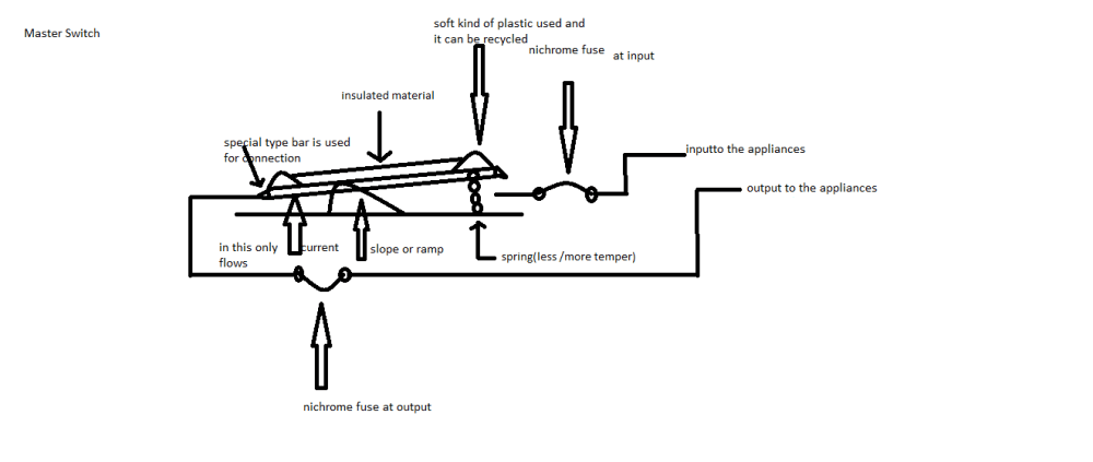
Needs to built MASTER SWITCH:
1)spring
2)fuse wire - nichrome wire is used
3)ramp plate- for better switching On and Off
4)special iron pin- used for current contact
5)insulated material - for switch ON/OFF
Benefits:
This type of fuse switch is helpful to protect the device when it's overloaded. The input fuse will cut off only when large amount of current flows and the output fuse cuts off if the contacts gets short circuited.
Working:
When current enters into the switch the fuse will check if the flow of current is optimum not more than the supply then the switch is closed the current flows to the output fuse, the output fuse checks if there is no short-circuit in the output of the switch, then the supply of output is given to appliances.
When the current is more than 5A in the input, the fuse will cut off and same as to the output.
Production Cost:
The cost of the master switch is Rs:40 to 50 INR and $0.66 to 0.833 USD.
The major advantage of this type of switch is that it has a fuse at both input and output terminals in order to protect the device.
Like this entry?
-
About the Entrant
- Name:Ashwin Kumarappan
- Type of entry:teamTeam members:ASHWINKUMARAPPA.K,
VINOTH .S,
VINODH KUMAR.G,
ADITHIYA ACHARYA.A,
BAALAJEE.K - Patent status:none
