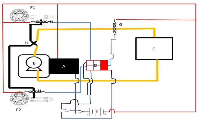
SAEHB is a standalone solution to the vehicular braking scenario. It is a perfect combination of hydraulic disc brakes and electronic sensors and micro-controller. The system works on continuous fluid flow and the micro-controller is actuated using a switch rather than conventional pedal.
The system is very simple to understand when it comes to functioning. The micro-controller will be continuously tracking real-time values from all the sensors like gyroscope, accelerometer, steering angle, proximity sensor etc. and when the user presses the switch, the controller give particular digital and analog outputs to the pressure and flow control valves. The micro-controller does its calculations using a formula which depends upon the inputs of the sensors. The proximity sensor ensures that the conditions of a fatal accident never persist even if the driver is not paying any attention to the road conditions. The system constantly uses its proximity sensor to look for the hindrances and it doesn’t just notify but also if required will stop the car itself. In accident case, the system will not take into account the input by the driver. The sole reason of making system to overlook the input of driver is, in case of accident the system will be taking all the values into account from all the sensors. Also, overall too, SAEHB has been designed to reduce interaction of the driver with the braking system for better results and fuel efficiency and also for smooth drive.
The system has a lot of advantages like low maintenance costs due to few mechanical reciprocating components and also increases in mechanical efficiency, connecting the hydraulic pump directly with the Engine crankshaft ensures a powerful rotating source for the hydraulic pump; SAEHB can be directly used with hybrid and electric vehicles with very few modifications in the design and also, it is future ready in the sense that, due to use of micro-controller, the system can be directly connected with more advanced sensors and can be combined with pre-existing systems like ESP.
But, on the opposite side, SAEHB does have disadvantages, like it is a heavier braking system overall due to the addition of a hydraulic pump and other electronic sub-systems. Higher installation costs due to use of more mechanical and electronic components and of course dependence on electronic sub-systems can be hazardous in case of electrical failures.
The system has been equipped with a secondary conventional drum brakes for the rear wheels which can be actuated using a hand controlled lever. Also, because of use of electronic subsystems, it ensures complete design flexibility towards placements of switch and secondary lever, which is very beneficial for handicapped drivers.
Like this entry?
-
About the Entrant
- Name:Udit Garg
- Type of entry:individual
- Patent status:none


