Machines have contributed their presence in cultivation which has greatly reduced human effort and by removing weeds so that there is no consumption of nutrients from soil by weeds. In conventional method of cultivation, tractors cultivate i.e. remove weeds only the area along its pathway and in addition human labor is required to cultivate the area between successive plants which becomes tedious. The team conducts research in several areas including survey of existing methods of cultivation and farm mechanizations. This leads to the decision to design and fabricate Inter Row Cultivator for Horticulture fields, when attached to present cultivators which removes weeds between the rows as well as between successive plants simultaneously.
Cultivation of large fields manually is time consuming so automation is necessary.
Our agenda before designing is not to cut or affect the plant but just to
remove weeds.
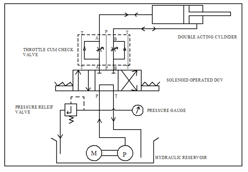
As the sensor touches the stem of the plant it gives the signal to control panel, which further gives signal to solenoid operated DCV for reverse stroke. This action retracts the blade without affecting the plant.
As the sensor passes from the stem of the plant it gives the signal to control panel, which further gives signal to solenoid operated DCV for forward stroke. This action extends the blade to remove the weeds from the roots between successive plants. Above two process are shown in green,red color in block diagram.
Technical Conclusions:
The system is automated without affecting plants which is taken care by sensor.
The piston provides sufficient force to remove weeds with roots and halt their further growth.
Design for mechanism and hydraulic system were safe when tested.
Irrespective of trolley’s speed, distance between the successive plants and diameter of the plant ,the desired objective is achieved by automating the system.
The inter row cultivator is provided with attachable and detachable facilities as per the farmers requirement.
As a product how it is Commercial:
Before commercializing this product, we answered the following questions:
How it should attract the farmers:
Current scenario: Currently farmers depend on manual labor and majority of the part is untouched by technology. Farmers desire to increase their productivity by investing less.
Effectiveness of the cultivation will increase and time consumption will decrease.Large scale cultivation becomes easy.
Presently:
For 1 acre, usually 5 labors are used to remove weeds between successive plants in 2 days; with our product, it is capable of removing weeds at the rate of 1 acre per 3 hours.Minimum operating cost & manual effort.
How it will reach all:
Agriculture Expo held will act as a platform for our product for marketing and advertising opportunities.
Social media opportunities will also play a major role.
How it can justify the cost:
If our product has to survive in any developing country market it has to be equally quality oriented and low cost & high output oriented.
It’s onetime investment product & can justify that it's worthy investing in it rather than calling labors for every two and half month interval.
Video
Like this entry?
-
About the Entrant
- Name:Chetan Shastry
- Type of entry:teamTeam members:1. CHETAN SHASTRY 2. HANAMANT MAHADEV MASALI 3. ASHPAQ INAMDAR 4. RAHUL MADAN HARPALE
- Software used for this entry:Solidworks & AutoCad
- Patent status:pending


