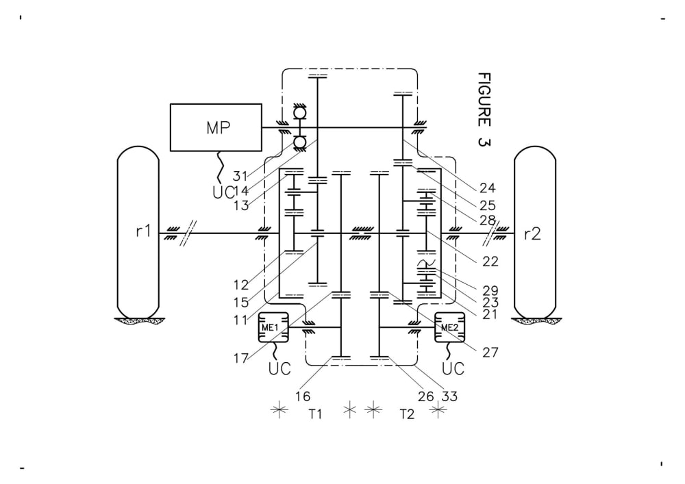
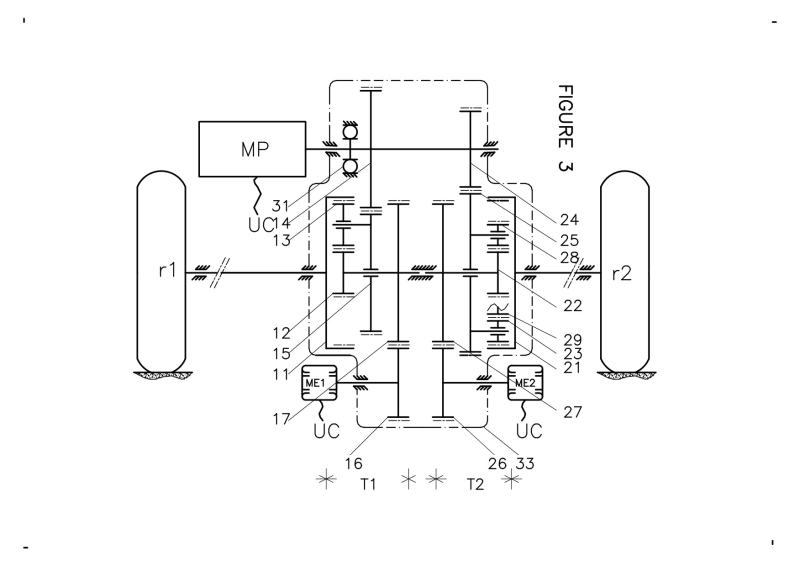
The basic idea is to replace the differential gear of the axle by two CVTs (continuous variable transmission), one on each half wheel shaft, whose electric machines are working on torque regulation with close torque set points. Gear ratios of their one-stage epicyclic trains (the simplest) are chosen in such a way to operate as torque amplifier but especially so that both electric machines operate in generator/motor opposition on the most useful speed range of the vehicle. A thermal or an electric main motor delivers required power to the epicyclic trains with small speed variations allowing electrical balance to be moved at will. In addition, slight variations between the set points provide vector trust and grip control to the vehicle.
Advantages of this architecture:
- The rotation speed of the main motor can be maintained at its best performance zone,
- The electrical flow from and to the battery is minimized due to the generator/motor opposition of the electrical machines. Electric balance can be adjusted in positive or negative (recharging while driving),
- In light hybridization, the vehicle has two electric machines (more power) for all classic hybridization improvements,
- High voltage can be reserved for the main electric motor with a simplified controller,
- The two electrical machines can be grouped into one with two opposite rotors and output shafts,
- Both wheels are true driving wheels and the system provides improvements on continuous grip control and thrust vectorization,
- The weight of the additional electric machine (17kg) is compensated.
Like this entry?
-
About the Entrant
- Name:Denis Buffet
- Type of entry:individual
- Software used for this entry:EXCEL
- Patent status:patented

