An Alternative Crank Engine
This product innovation relates to the internal combustion engine and proposes a significant step forward in improving performance, fuel economy and emissions by changing the thermodynamic cycle of heat transfer into useful work whilst retaining all existing technological infrastructure and costs.
The current thermodynamic cycle is based on the slider crank mechanism with typical thermal efficiency of 35-40% which has taken decades of incremental improvements to achieve.
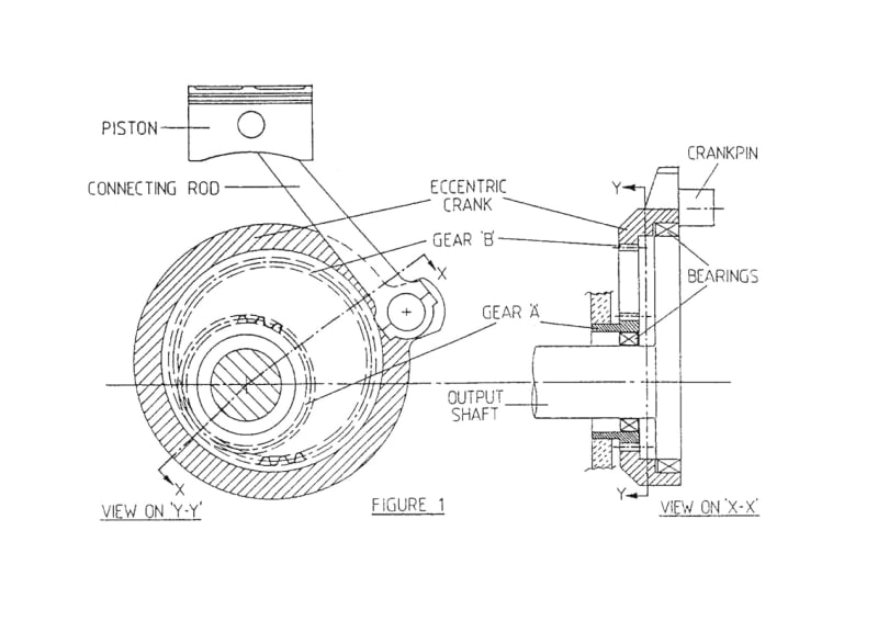
By combining the slider crank and rotary engine mechanisms as in illustration 1, the resulting piston motion is demonstrated in illustration 2, which leads to a radical change to the current thermodynamic cycle whilst using the same standard engine components along with their manufacturing technologies used worldwide today.
This configuration has been nominated the Alternative Crank Engine (ACE) and a technical paper is available providing a fuller explanation from colinmiller7@hotmail.co.uk.
In this paper, a logical explanation is provided on changing the thermodynamic cycle such that the power output on a p-v diagram is increased around a further 50% along with a similiar improvement on the engine torque curve.
Using standard formulae the normal p-v diagram has been re-calculated to predict the following outcome for an ACE based configuration showing the extra increase in area under the curve as shown in illustration 3.
This outcome has been supported by crudely modifying a small single cylinder engine to an ACE layout and electrically motoring the engine with a pressure transducer in the combustion chamber to record the necessary change to the air cycle required to achieve the above. Details are in the technical paper.
This design configuration will therefore allow for smaller capacity engines, less pistons/engine, and good power to weight ratios coupled with a higher and smoother torque delivery. Emissions will reduce pro-rata with these changes, enhanced further with additional improvements derived as a result of changing the combustion cycle to explore new breathing, ignition, and fuel burning options – all of which are yet to be explored. For example, with the ACE engine the amount of ignition advance can be decreased, reducing the negative work in this part of the cycle.
An ideal application of the ACE concept would be a boxer style twin cylinder which would be favourable to car designers of standard and hybrid vehicles working on smaller and less polluting power packages for worldwide markets. Not all future vehicles can be fully electric.
With the significant predicted changes in thermal efficiency, less energy and pollution will end up going down the exhaust pipe causing the environmental concerns we now experience. This opens the door to increasing fuel tax revenues without increasing a vehicle running costs.
Having worked in the automotive industry, the ACE concept requires no new component or manufacturing technology development, only a fresh approach to the conceptual design of the internal combustion engine.
C J Miller B.Sc Mech Eng
Like this entry?
-
About the Entrant
- Name:Colin Miller
- Type of entry:individual
- Patent status:patented


