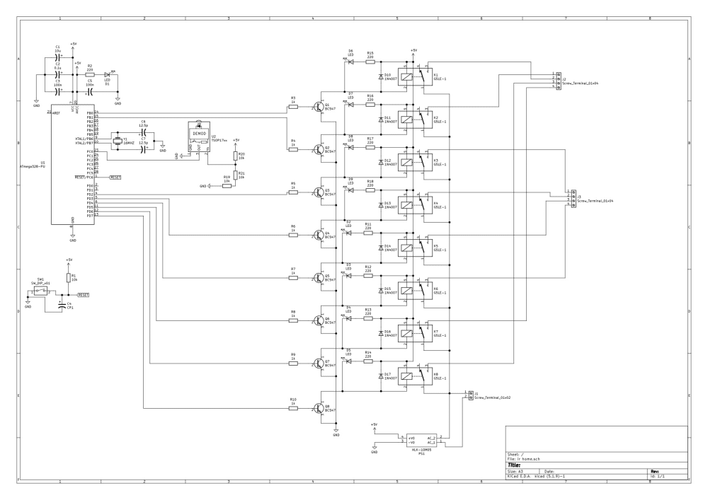
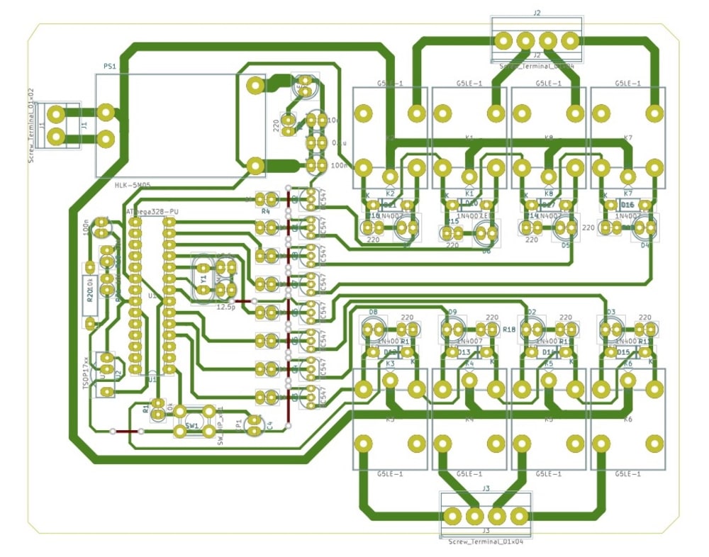
Our project is IR based home automation. In this project, we are using IR based wireless communication for controlling home appliances. Here microcontroller ATMega328P is used for controlling the whole process. We send some commands to the controlling system by using IR TV/DVD remote for controlling AC home appliances. After receiving a signal from IR remote, the microcontroller sends related signal to the 8V relays which are responsible for switching ON or OFF of the home appliances through a relay driver. When we press any button of IR Remote then the remote sends a code in form of train of encoded pulses using 38Khz modulating frequency. These pulses are received by TSOP1738 sensor and read by microcontroller and then the microcontroller decodes received train of pulse into a hex value and compares that decoded value with the predefined hex value of the pressed button. If any match occurs then the microcontroller performs relative operations. Here in this project, we have used 8 LEDs for demonstration which indicates Fan, Light, etc.
There are many types of IR Remote available for different devices but most of them are worked on around 38KHz frequency signal. Here in this project, we control home appliances using IR TV remote. For detecting IR remote signal, we use TSOP1738 IR Receiver. This TSOP1738 sensor can sense 38Khz Frequency signal. The micro-controller can operate the low current components like LED and Buzzer, but relays need high current (100 mA to 250mA) to switch the appliances. Thus, a transistor is used for switching the relays. The emitter pin of the transistor is connected to GND and collector pin is connected to coil pin of the relay and so the micro-controller gives signal through a resistance to base pin of transistor. When logical high given to the base pin of Arduino collector and emitter are short circuits, so current passed through the coil of relay. Now coil is energized and the relay switched ON and all the electrical appliances get turned on. Here in this project, we have used 1,2,3,4,5,6,7, 8 and 9 number buttons of IR TV remote, for controlling fan, light, etc. respectively and it gets turned ON and so all the electrical appliances get turned ON when each number button is pressed. If we want to turn OFF all the electrical appliances, we can press the power button and so all the electrical appliances will get turned OFF. So, it is easy to control the electrical appliances or AC loads through a single IR TV remote.
Video
Like this entry?
-
About the Entrant
- Name:Jayyasri S
- Type of entry:teamTeam members:NITHIYASREE K R
RITHIKA S - Software used for this entry:Kicad
- Patent status:pending


