After a grand success in America this innovative model was introduced to the other parts of the world. This module and mechanism was mainly implemented by farmers in the agricultural sectors, and in areas of water supply for domestic purposes. According to the survey we Indians are using it meagerly.
For the Indian utility this apparatus is modified and modeled for lower expense and higher benefits. We can utilize this innovative model for a better present and best future.
WORKING PRINCIPLE:
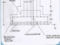
The hole mechanism primarily depends on the velocity of the wind. The speed of the wind determeries the quantity of water. When the wind is circulated with high velocity over the blades of the turbine, when the blades move, now the blades are connected to the rotating mold. The rotating mould is fixed to a pump piston. This pump piston gives an upward downward movement. At that instant, which is connected and attached to the pump in the bore well. Consequently piston rods of the pump move, that creates pressure due to which the water is squeezed out into the pipe which is fixed towards the outlet of the water reservoir.
Merits and usage :
1. This apparatus satisfies our water demands without the usage of electricity.
2. There is no need for a separate person for operating and maintaining the apparatus.
3. All the functions in the instrument are based on the velocity and speed of the wind. It will work automatically.
4. Depending upon the water source we can get water for our requirement.
5. With minimum expenditure we can get maximum benefit.
6. Maintenance is very simple.
Like this entry?
-
About the Entrant
- Name:Madasamy Sonaimuthu
- Type of entry:individual
- Patent status:pending


