PLATINUM SPONSORS

Platinum Sponsors
  • Login
  • Sign Up
  • How to Vote
  • About
  • Rules & Tips
  • Entries
  • Archive
  • Prizes
  • FAQs
  • Contact
  • Login
  • Sign Up

  • How to Vote

  • About
  • Rules & Tips
  • Entries
  • Archive
  • Prizes
  • FAQs
  • Contact
  1. Home
  2. 2021
  3. Entries

2021
Entries

Fiber Laser Pumped With Electron Beams From Carbon Nanotubes

I present the concept of a laser pumped with electron beams from carbon nanotubes in the process of field emission of electrons. Today, commercial lasers are mainly pumped optically, for example, by coupling to laser diodes or by applying an electrical voltage, such as in laser diodes.

READ MORE

Wojciech Zwolak
Lublin, Poland
Votes: 0
Views: 1542
Electronics/​Sensors/​IoT
Jun 20, 2021

Infrared Data Association (iRDA) with Laser Beam

PROBLEM:

Free-space optical systems are generally used for "last mile" communication and can operate at distances of several kilometers long as long as there is a clear line of sight between the sender and receiver, and the optical receiver can decode the signal of the information transmitted. IrDA is an example of short distance,

READ MORE

Guillermo Perez
Ciudad De México, Mexico
Votes: 1
Views: 2719
Electronics/​Sensors/​IoT
Jun 20, 2021

Global Agricultural Repository

Global agricultural repository is an ongoing project geared towards the eradication of food shortage and technological assistance to the farming communities world wide.

This project addresses the growing needs of farmers. Various regions of the world have specialized needs and specific resources.

READ MORE

Man Kal
Dix Hills, United States
Votes: 0
Views: 1723
Medical
Jun 19, 2021

D3 - Control and Deorbit Spacecraft without Rockets

As evidenced by recent events, it is a well-known fact that space debris is a growing threat to operations in space. The proliferation of satellite swarms and constellations is exponentially adding to the danger of catastrophic mission failure or debris scattering. Additionally, spacecraft thrusters may increase that threat due to explosive volatility.

READ MORE

Erik T Long
Thousand Oaks, United States
Votes: 2
Views: 3334
Aerospace & Defense
Jun 19, 2021

TempCras

In most parts of Africa, there is a lot to be done to achieve proper cold chain management while distributing and storing food, drinks and drugs. On average, a local dairy-foods manufacturing company in Malawi loses about US $11,500 every month due to lack of proper monitoring of their cold chain.

READ MORE

Alinafe Kaliwo
Cape Town, South Africa
Votes: 3
Views: 1803
Electronics/​Sensors/​IoT
Jun 19, 2021

Automated Guided Mobile Robot with Image Recognition

With the technological advancements in the field of machinery, the industries require advanced machines for material and components handling. Our project deals with a mobile robot which is automatically guided by the predefined programmed path and it takes and transports the component from one workstation to another workstation by using image recognition.

READ MORE

Shanmugasundar G
Chennai, India
Votes: 1
Views: 2026
Manufacturing/​Robotics/​Automation
Jun 19, 2021

A Significant Cleaner and Lighter Internal Combustion Engine

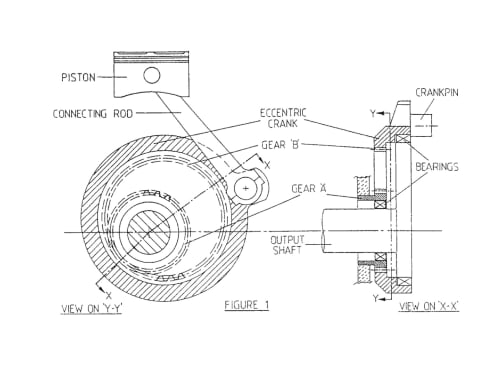
An Alternative Crank Engine

This product innovation relates to the internal combustion engine and proposes a significant step forward in improving performance, fuel economy and emissions by changing the thermodynamic cycle of heat transfer into useful work whilst retaining all existing technological infrastructure and costs.

READ MORE

Colin Miller
Ormskirk, United Kingdom
Votes: 0
Views: 2082
Automotive/​Transportation
Jun 19, 2021

Fraying Cable Detector for High Tension Power Lines

A monitoring system to allow early detection of damage to high tension power lines. Using Acoustical Emission (AE) techniques on high tension power lines for early detection of internal damage or fraying before the cable breaks.

Cable "Galloping" (low frequency, large amplitude, vibration caused by high winds),

READ MORE

Charles Englehart
Easton, United States
Votes: 0
Views: 1825
Electronics/​Sensors/​IoT
Jun 19, 2021

SelectFlex 3.0 Keyless – The Next Generation of the World’s Only Arch Control Insole

Named Best Foot Protection Product of 2020 by ISHN, SelectFlex is still the world’s first and only arch control insole. With the turn of a key, the original SelectFlex insole provides 3 adjustable levels of arch support for personalized comfort.

READ MORE

Peter Tarlton
New Castle, United States
Votes: 5
Views: 1774
Consumer Product Design
Jun 18, 2021

New Technologies in Sustainable Hydrogen Production from Hydrocarbons and Waste Plastics

Molten Metal Reactor Technology – Prospects in Sustainable Hydrogen Production

Globally, Hydrogen (H2) has been consumed for a variety of purposes, majorly as a feedstock or raw material and for the refining process. However, recently, H2 has been widely promoted by the international energy agency (IEA) as an energy carrier to become an alternative to fossil fuel-based hydrocarbons.

READ MORE

Fabiyan Angikath
Jeddah, Saudi Arabia
Votes: 2
Views: 1988
Sustainable Technologies/​Future Energy
Jun 18, 2021

Page 28 of 53

  • 23
  • 24
  • 25
  • 26
  • 27
  • 28
  • 29
  • 30
  • 31
  • 32

View Entries by

Contest Category

  • Aerospace & Defense
  • Automotive/​​​Transportation
  • Electronics
  • Energy, Power & Propulsion
  • Manufacturing & Materials
  • Medical
  • Robotics & Automation

Also

  • Tag Cloud
  • 2025 Entrants
  • Number of Votes
  • Number of Page Views
  • View All Entries

2025 Contest Results

  • Grand Prize & Category Winners
  • Top 100 Entries
  • Browse All the Entries
  • Final Voting Scoreboard
  • Meet the Judges

Follow Us

Sign In
Forgot Login?

 Contest Notifications: Click here for the full list of 2025 winning entries

  • © 2025 SAE Media Group
  • Privacy Policy
  • Service Status