PLATINUM SPONSORS

Platinum Sponsors
  • Login
  • Sign Up
  • How to Vote
  • About
  • Rules & Tips
  • Entries
  • Archive
  • Prizes
  • FAQs
  • Contact
  • Login
  • Sign Up

  • How to Vote

  • About
  • Rules & Tips
  • Entries
  • Archive
  • Prizes
  • FAQs
  • Contact
  1. Home
  2. 2012
  3. Entries

2012
Entries

Asteroid Retriever-Deflection System

Asteroids and comets are some of the most accessible sources of space based raw materials and elements, rich with minerals, ores and even water, that can be exploited in-situ toward space architectures and systems development or for delivery to locations including moon, Mars and also the Earth. As proof of concept for a needed critical technology,

READ MORE

Charles Radley
Orlando, United States
Votes: 0
Views: 5171
Safety and Security
Jun 1, 2012

ATC (Automatic Traffic Control)

Here in Egypt, traffic jams are a major problem. ATC offers a solution for this problem. It looks into the problem from a different perspective. The idea is to install an electronic system on each vehicle. This system will detect illegal movement (cross lanes frequency), illegal driving direction, breaking traffic lights, fast acceleration, illegal parking,

READ MORE

Ahmed Saber
Giza, Egypt
Votes: 0
Views: 5927
Transportation
Jun 30, 2012

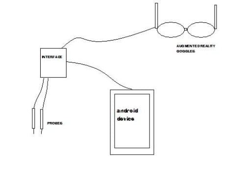
Augmented Reality for Field Services

My proposal is for the implementation of an augmented reality network for technical field workers based on a combination of technologies. Components from makers such as, Google, Vuzix, Tektronix, Agilent, and others are currently being used or they are being researched.

READ MORE

Artis Weaver
Houston, United States
Votes: 0
Views: 5408
Electronics
Jul 2, 2012

Auto Safety Bumpers

I have three US patents for different embodiments of an auto safety bumper invention.

Cars must become smaller and lighter to meet government CAFE rules. Today, small cars are less safe in collisions than larger cars. The small cars don't have large crumple zones. In fact,

READ MORE

Stephen Shoap
Wakefield, United States
Votes: 0
Views: 4771
Transportation
Jun 6, 2012

AutoMate Transportation System

The Automate system aims to provide a sustainable transportation solution for our cities. Many concepts try to overcome the ever growing losses due to traffic jams, pollution and traffic accidents. AutoMate provides an innovative system design which aims to help us all save lives, time and keep our planet a greener place.

READ MORE

Netanel Goldberg
Zichron Yaakov, Israel
Votes: 18
Views: 6173
Transportation
Apr 7, 2012

Automated Nail Polish and Coloring Agent

In designing the future I was interested in making several tasks easier by automation and technology. The first is fashion. With a multi-billion dollar fashion industry Nail Polish is a major consumer product. The device I invented combines two iportant function adding and removing nail polish with micro-electronic machines (MEMS) and a consumer friendly and usable design.

READ MORE

Sarah Mays
Vienna, United States
Votes: 0
Views: 4644
Consumer Products
Jun 19, 2012

Automated Traffic Light

The idea is simple: to control the traffic by having a sensor on each car that allows the traffic control infrastructure to detect vehicles on the road.

Such is the case of traffic lights with this technology.

READ MORE

Vicente Miranda
Schenectady, United States
Votes: 0
Views: 4398
Transportation
May 15, 2012

Automatic Bicycle Gear Change

Automatic gear change for bicycle. Rotation sensor (magnetic or optical, counts teeth) on chain ring. Optimum pedal speed = 90 r.p.m. tired/fresh, athlete/slob, makes no difference. Gear changes to keep pedal speed optimum. Rear (and front maybe) mech has actuator (motor and screw on parallelogram) and position sensor. Box for electronics, battery, control.

READ MORE

Richard Mayo
Brixham, U.k.
Votes: 0
Views: 5517
Consumer Products
May 28, 2012

Automatic Pneumatic Air Gun

Screw gun and torque meter are two different tools used for tightening screws and to measure the torque by which the screws are tightened. There are some places where the screw has to be tightened at a particular torque and beyond that it may wear the screw or even shear stress may damage the equipment.

READ MORE

Rakesh214 B
Sangareddy, India
Votes: 63
Views: 12604
Machinery & Equipment
Jun 29, 2012

Automatic Pots

A little pot with a condenser that works with the energy of a solar panel, on the day the batteries are recharged, and at night the fan starts, which cools the condenser causing the water to be deposited in an internal canal with small holes, irrigating the plants through drip almost without human intervention.

In addition,

READ MORE

Reynaldo García
Santa Catarina Pinula Guatemala, Guatemala
Votes: 0
Views: 4572
Consumer Products
Jun 27, 2012

Page 7 of 74

  • 2
  • 3
  • 4
  • 5
  • 6
  • 7
  • 8
  • 9
  • 10
  • 11

View Entries by

Contest Category

  • Aerospace & Defense
  • Automotive/​​​Transportation
  • Electronics
  • Energy, Power & Propulsion
  • Manufacturing & Materials
  • Medical
  • Robotics & Automation

Also

  • Tag Cloud
  • 2025 Entrants
  • Number of Votes
  • Number of Page Views
  • View All Entries

2025 Contest Results

  • Grand Prize & Category Winners
  • Top 100 Entries
  • Browse All the Entries
  • Final Voting Scoreboard
  • Meet the Judges

Follow Us

Sign In
Forgot Login?

 Contest Notifications: Click here for the full list of 2025 winning entries

  • © 2025 SAE Media Group
  • Privacy Policy
  • Service Status